Mandaci una email

sdepochwater@hotmail.com

Notizia

La struttura e il principio di lavoro della valvola a farfalla

Rotazione a 90 gradi, padronanza del controllo del flusso senza sforzo-Valvole a farfalla: Ottimizzazione dell'efficienza e dei costi per le operazioni di pipeline di grandi diametro!

1.Overall Panoramica:

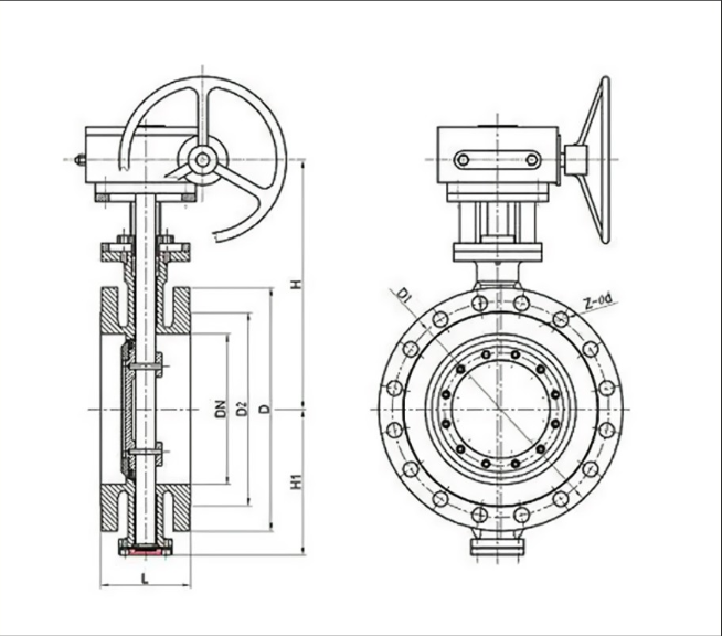
  Una valvola a farfallaè una valvola strutturalmente semplice e che operava principalmente utilizzata per controllare il flusso di fluidi (come acqua, gas o fanghi) in condotte. La sua funzione principale è aprire, chiudere o regolare il passaggio del flusso ruotando un disco (disco farfalla) all'interno del tubo.

2. Componenti della chiave - Corpo della valvola e disco:

   Il corpo principale della valvola a farfalla è il corpo della valvola, un breve alloggiamento cilindrico collegato alla tubazione su entrambe le estremità, formando il passaggio del fluido. Posizionato centralmente all'interno del passaggio del corpo della valvola è il componente centrale: il disco. Questa è una struttura a forma di disco il cui design (concentrico o eccentrico) e materiale influisce significativamente sulle prestazioni della valvola.

3. Componenti della chiave - STEM e ACTUZIONE:

   Uno stelo passa attraverso il centro o un punto eccentrico del disco e si estende fuori dal corpo della valvola. Questo albero è responsabile della trasmissione della forza di rotazione (coppia) generata dal meccanismo operativo esterno (come una leva, una ruota a mano o un attuatore automatico) al disco, guidando la sua rotazione.

4.CURCHIGLIE COMPONENTI - SIGNOLAZIONE (sedili e sigilli):

   Per ottenere la sigillatura quando chiusa, viene installata una sede anulare sulla parete interna del corpo della valvola (o sul bordo del disco in progetti a triplo offset). Quando il disco si chiude, il suo bordo preme strettamente contro questo sedile. I materiali del sedile possono essere elastomeri (sedile morbida, ad esempio gomma, PTFE, offrire una buona tenuta) o metallo (sedile dura, resistente alle alte temperature e alla pressione). Inoltre, si trovano guarnizioni (come l'imballaggio o gli O-ring) in cui lo stelo esce dal corpo della valvola, prevenendo la perdita dei media lungo lo stelo.

5. Principio di lavoro - Processo di apertura:

   Quando è necessario aprire la valvola, il meccanismo operativo (manuale o automatico) ruota lo stelo. Lo stelo fa ruotare il disco attorno al suo asse, spostandosi da una posizione perpendicolare all'asse della tubazione (90 gradi, stato chiuso) verso una posizione parallela ad esso (0 gradi). Man mano che il disco ruota, il suo ostruzione al fluido diminuisce, il passaggio del flusso si apre gradualmente e il fluido scorre senza intoppi. L'angolo di rotazione consente un controllo preciso della portata.

6. Principio di lavoro - Processo di chiusura:

   Quando la valvola deve essere chiusa, il meccanismo operativo ruota lo stelo nella direzione opposta. Il disco inizia a ruotare dalla sua posizione parallela alla tubazione, bloccando progressivamente il percorso del flusso. Dopo aver ruotato di circa 90 gradi per raggiungere la posizione perpendicolare, il bordo del disco preme saldamente contro il sedile. Attraverso questa compressione (basandosi sulla deformazione elastica per sedili morbidi o un preciso contatto conico conico per sedili duri), si forma un anello di tenuta completo tra il bordo del disco e il sedile, bloccando completamente il flusso di fluido.

7. MAIN VANTAGGI:

   I vantaggi primari delle valvole a farfalla si trovano nella loro struttura compatta, peso leggero e dimensioni faccia a faccia brevi (spazio di risparmio), funzionamento semplice e rapido (in genere richiede solo una rotazione di 90 gradi per apertura/chiusura), bassa resistenza ai fluidi (specialmente se completamente aperta), bassa coppia operativa e vantaggi in termini di costi significativi nelle pipeline di grandi dimensioni.

8. MAIN Svantaggi e considerazioni:

   Gli svantaggi delle valvole a farfalla includono la loro capacità di pressione di tenuta in genere inferiore alle valvole di gate o globo (in particolare i tipi di sedute a morbide), il disco è sempre presente nel percorso di flusso causando una certa perdita di pressione, essendo meno adatto a applicazioni di limitazione gravi (che possono causare vibrazioni o erosione) e la sensibilità dei materiali a sedere a morbido per l'estremità.

9. Applicazioni tipiche:

   Sfruttando questi vantaggi, le valvole a farfalla sono ampiamente applicate in scenari di diametro medio-grande che richiedono un funzionamento rapido, vincoli di spazio o sensibilità al costo. Le applicazioni comuni includono: sistemi di approvvigionamento idrico e drenaggio (acqua potabile, acque reflue), sistemi HVAC (riscaldamento, ventilazione e aria condizionata), sistemi di protezione antincendio, acqua di raffreddamento nell'industria elettrica, industria petrolchimica (per media a bassa pressione, media a temperatura ambiente), industrie alimentari e farmaceutiche (valvole di livello sanitario) e maneggevolezza.

   Shandong Epoch Equipment Co., Ltd. è un produttore professionista su larga scala nella provincia della Cina di Shandong, aderisce all'orientamento della scienza e della tecnologia, della protezione ambientale, della qualità ed efficienza. Al momento, è diventato un'impresa trans-regionale e multiindustriale che integra industrie ampie come la progettazione, lo sviluppo, la produzione ed esportazione. Visita il nostro sito Web all'indirizzohttps://www.epochpipeline.com/Per saperne di più sui nostri prodotti. Per le richieste, puoi contattarci a sdepochwater@hotmail.com.

Notizie correlate
Lasciami un messaggio
X
Utilizziamo i cookie per offrirti una migliore esperienza di navigazione, analizzare il traffico del sito e personalizzare i contenuti. Utilizzando questo sito, accetti il ​​nostro utilizzo dei cookie. politica sulla riservatezza
Rifiutare Accettare